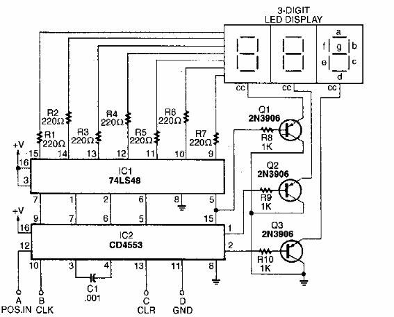
Este circuito se encontró en una Electronics Now de los años 80. El circuito es para pantallas de 3 dígitos. El circuito es TTL.

Controlador BCD multiplexado
Este circuito se encontró en una Electronics Now de los años 80. El circuito es para pantallas de 3 dígitos. El circuito es TTL.
