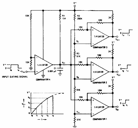
Este circuito genera pulsos de salida con retardos secuenciales. Los retardos se pueden programar mediante los valores de los resistores y el capacitor. La tensión de alimentación puede oscilar normalmente entre 5 y 12 V.

Generador de retardo
Este circuito genera pulsos de salida con retardos secuenciales. Los retardos se pueden programar mediante los valores de los resistores y el capacitor. La tensión de alimentación puede oscilar normalmente entre 5 y 12 V.
