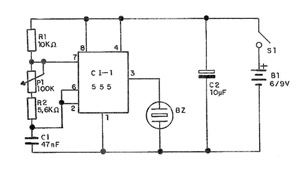
Para ajustar el circuito integrado bajo prueba usamos un enchufe DIL de 8 pinos. Observe la posición de ajuste del integrado en la prueba. Los resistores son de 1/8 W o más y el capacitor es de 47 nF. El potenciómetro controla la frecuencia del sonido que produce el transductor. El transductor puede ser un micrófono o un auricular de cristal o de cerámica. El circuito se puede alimentar con 4 pilas pequeñas o con una batería de 9V. Para usar el dispositivo, conecte el circuito integrado bajo prueba en el enchufe y encienda la alimentación. Configure P1 y el transductor debería emitir un pitido si el circuito integrado está bien. Al configurar P1, el sonido cambia de frecuencia.




