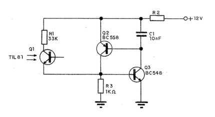
El circuito de la figura es muy interesante porque simula un SCR activado por la luz. Cuando la luz incide sobre el fototransistor, conduce y alimenta el interruptor regenerativo a través de Q1. Con este circuito, podemos obtener una característica de resistencia negativa, lo que permite su uso en el disparo de SCR y otros dispositivos.

Foto Tiristor



