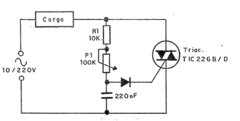
El circuito que veremos a continuación utiliza un elemento de la familia de semiconductores que aún no conocen los lectores que leen este libro en secuencia. Este es Diac, que se tratará en detalle en el siguiente artículo. Podemos decir que el diac mejora las características de disparo del triac, produciendo los pulsos de alta corriente que necesita para un disparo con una tensión superior a los 2 V normales. El componente formado por un diac y un triac en la misma carcasa recibe el sugerente nombre de "quadrac". En la figura se muestra el circuito de nuestro control de potencia que puede ajustar el brillo de las lámparas hasta 500 watts y la velocidad de los motores hasta 1/2 HP.




