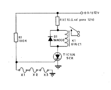
Cuando alguien que ingresa a una ubicación abre uno de los sensores conectados a la puerta SOR, el SCR dispara y activa el relé. La carga del relé puede ser una sirena, bocina u otro dispositivo de advertencia. Los sensores son cables muy delgados entrelazados en puertas y ventanas que se rompen con la entrada del intruso. Una característica muy importante de este circuito es que su consumo es prácticamente nulo cuando está en estado de reposo. Con esto podemos usar baterías para su alimentación o incluso pilas comunes.




