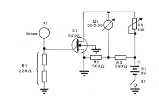
La impedancia de entrada muy alta de un MOSFET permite que incluso pequeñas cargas estáticas provoquen cambios en la corriente entre el drenaje y la fuente. Esta característica se puede utilizar en la construcción de un electroscopio o detector de carga estática. La energía proviene de una batería ordinaria y el sensor es una pequeña placa o bola de metal de aproximadamente 2 cm. El cable de conexión a este sensor debe ser muy corto para no afectar el funcionamiento del circuito. El instrumento indicador es un microamperímetro de 50-0-50 uA, es decir, el tipo con cero en el centro de la escala. La operación se realiza acercando el sensor al objeto cargado, pero sin tocarlo, ya que el toque puede hacer que el componente se queme (FET).




