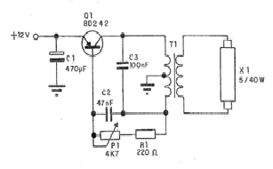
Este circuito es un oscilador Hartley, pero con potencia, pudiendo elevar el voltaje de 12V de una batería a valores entre 200 y 500V suficientes para encender lámparas fluorescentes. La base es un transistor de potencia PNP que convierte el voltaje CC de la batería en CA para que "pase" a través del transformador. El ajuste del punto de rendimiento más alto se realiza en P1 e incluso se pueden utilizar lámparas débiles de 5 a 40 vatios en este inversor. Recuerde que, en el montaje final, el transistor debe montarse sobre un radiador de calor de al menos 5 x 5 cm.




