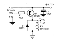
Este circuito aumenta la sensibilidad de un relé de 6 o 12V permitiendo su funcionamiento directo con LDRs, NTCs y con la salida de circuitos digitales como TTL y CMOS. Para un relé de 100 mA / 6V o 50 mA / 12V necesitamos una corriente de solo 1 mA en la entrada con una tensión de 0.6 V por encima del punto 0V. En esta configuración el transistor funciona como un interruptor, es decir, saturado o en corte como explicamos.




