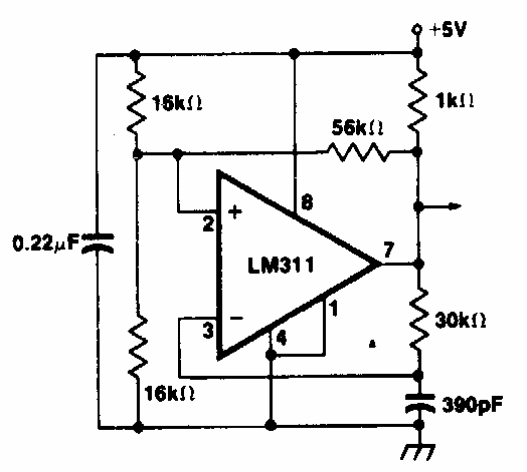
Esta configuración se puede realizar en base a amplificadores operacionales o comparadores modernos. El circuito es compatible con lógica TTL y, por tanto, con microcontroladores.

Generador de clock
Esta configuración se puede realizar en base a amplificadores operacionales o comparadores modernos. El circuito es compatible con lógica TTL y, por tanto, con microcontroladores.
