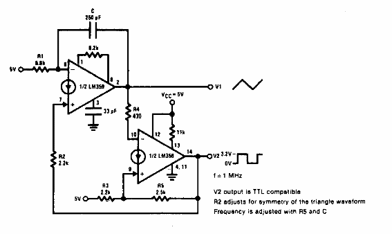
Este circuito genera señales con diferentes formas de onda. La frecuencia depende del capacitor. Los valores dados en el diagrama son para una frecuencia de 1 MHz.

Generador triangular y cuadrado
Este circuito genera señales con diferentes formas de onda. La frecuencia depende del capacitor. Los valores dados en el diagrama son para una frecuencia de 1 MHz.
