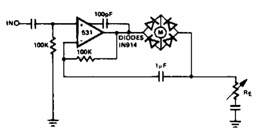
Encontrado en documentación antigua, este circuito se puede implementar con casi cualquier amplificador operacional y los diodos son para propósito general. Re depende de las características del instrumento indicador.

Milivoltímetro AC
Encontrado en documentación antigua, este circuito se puede implementar con casi cualquier amplificador operacional y los diodos son para propósito general. Re depende de las características del instrumento indicador.
