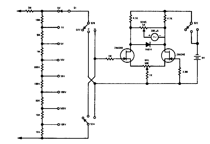
Encontramos este voltímetro de entrada de resistencia ultra alta en documentación de los años 90. Los FET pueden ser tipos comunes como el BF245.
Este circuito es sensible al calor, pudiendo servir de alarma de sobrecalentamiento de piezas,...
Un viejo transformador de salida sacado de alguna radio transistorizada antigua que ya no funciona es...
Este pequeño radio para la banda AM utiliza cuatro transistores con un amplificador complementario para...