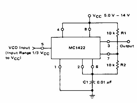
Este circuito es de un manual de Motorola que genera señales de hasta 200 kHz. La publicación es de los años 70, lo que dificulta la obtención del componente básico.

Oscilador controlado por tensión
Este circuito es de un manual de Motorola que genera señales de hasta 200 kHz. La publicación es de los años 70, lo que dificulta la obtención del componente básico.
