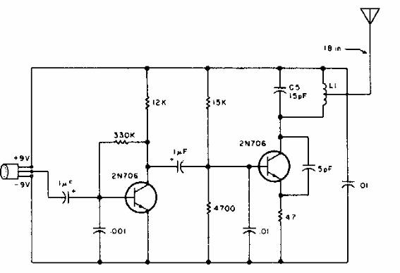
La bobina L1 está formada por 4 vueltas de hilo 20 en forma de 0,5 a 0,6 cm sin núcleo. El circuito es de una documentación de los años 80. El alcance es de unas pocas decenas de metros.

Transmisor FM simple
La bobina L1 está formada por 4 vueltas de hilo 20 en forma de 0,5 a 0,6 cm sin núcleo. El circuito es de una documentación de los años 80. El alcance es de unas pocas decenas de metros.
