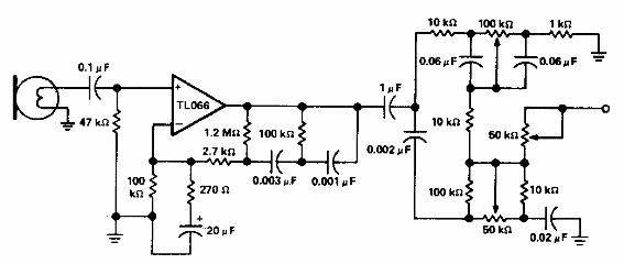
Este circuito se encontró en la documentación estadounidense de la década de 1980. El circuito integrado que se usa todavía es común hoy en día, pero se pueden usar equivalentes. La fuente debe ser simétrica.

Amplificador de micrófono con control de tono



