Este circuito consume solo 1 mA y proporciona una señal de 1 Vpp a la frecuencia del cristal utilizado. El transistor puede ser el BC548 y se pueden obtener señales de hasta unas pocas decenas de megahertz.

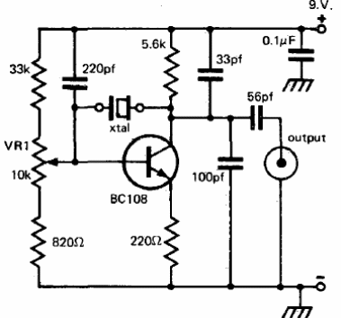
Oscilador de cristal
Este circuito consume solo 1 mA y proporciona una señal de 1 Vpp a la frecuencia del cristal utilizado. El transistor puede ser el BC548 y se pueden obtener señales de hasta unas pocas decenas de megahertz.
