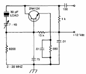
Este oscilador convencional para un transistor de frecuencia controlado por cristal se obtuvo en la documentación estadounidense de la década de 1980. El transistor puede ser 2N2222 o conmutación equivalente o RF.

Oscilador de cristal
Este oscilador convencional para un transistor de frecuencia controlado por cristal se obtuvo en la documentación estadounidense de la década de 1980. El transistor puede ser 2N2222 o conmutación equivalente o RF.
