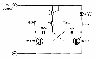
Este emisor de infrarrojos (pulsante) se puede utilizar con varios otros circuitos de alarma y control remoto en este sitio web y también con el siguiente circuito (CIR20284S). El LED es del tipo de buena potencia y el ajuste de frecuencia se realiza en el potenciómetro.

Transmisor de infrarrojos



