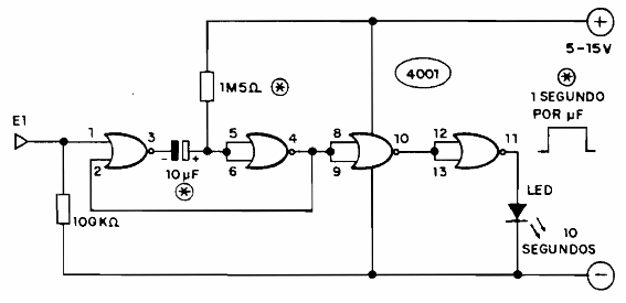
Este circuito CMOS monoestable experimental, que activa un LED, se encontró en una documentación de la década de 1980. Se recomienda conectar en serie con el LED un resistor limitador de 470 ohms o más.

CMOS monoestable
Este circuito CMOS monoestable experimental, que activa un LED, se encontró en una documentación de la década de 1980. Se recomienda conectar en serie con el LED un resistor limitador de 470 ohms o más.
