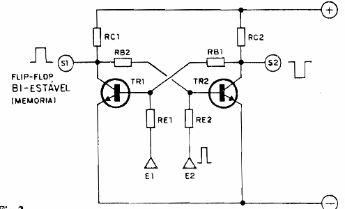
Este circuito que aparece en varias versiones en esta sección y en este sitio web se encontró en documentación de la década de 1980. Los transistores pueden ser de cualquier tipo NPN de propósito general como el BC548.

Biestable con transistores
Este circuito que aparece en varias versiones en esta sección y en este sitio web se encontró en documentación de la década de 1980. Los transistores pueden ser de cualquier tipo NPN de propósito general como el BC548.
