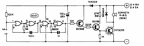
Esta potente sirena es adecuada para sistemas de advertencia o alarma. Los componentes son actuales y el transistor 3055 debe montarse en un buen disipador de calor.

Sirena para Alarmas
Esta potente sirena es adecuada para sistemas de advertencia o alarma. Los componentes son actuales y el transistor 3055 debe montarse en un buen disipador de calor.
