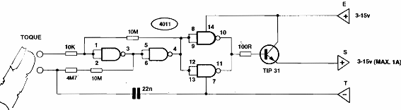
Este circuito permite el control de cargas de hasta 1 A con tensiones de 3 a 15 V. El transistor debe estar equipado con un disipador de calor y la fuente de alimentación no debe ser del tipo sin transformador.

Control de toque
Este circuito permite el control de cargas de hasta 1 A con tensiones de 3 a 15 V. El transistor debe estar equipado con un disipador de calor y la fuente de alimentación no debe ser del tipo sin transformador.
