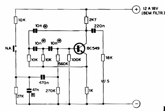
Este circuito produce el sonido de la percusión como bloques, batería, campana, etc. La frecuencia depende de los capacitores marcados, que pueden tener una amplia gama de valores en función del sonido deseado. El circuito debe estar conectado a un buen amplificador.

Circuito de percusión



