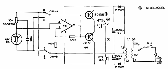
Este circuito puede funcionar como alarma de luz y como alarma de sombra. Los componentes son comunes. El circuito incluye la fuente de alimentación. Los transistores de salida deben montarse en disipadores de calor.

Alarma de luz con 741
Este circuito puede funcionar como alarma de luz y como alarma de sombra. Los componentes son comunes. El circuito incluye la fuente de alimentación. Los transistores de salida deben montarse en disipadores de calor.
