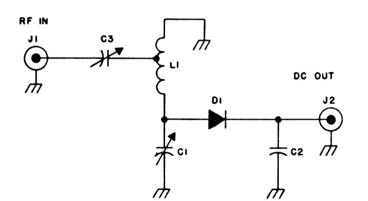
Este circuito detector se encontró en la documentación de la década de 1980. El diodo es del tipo detector de alta frecuencia y no se proporciona información sobre la bobina. La señal debe aplicarse a una buena etapa de amplificación.

 

Receptor para 432 MHz
Receptor para 432 MHz | Haga click en la imagen para ampliar |