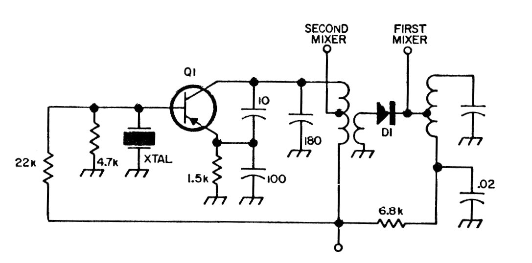
Este circuito genera una señal para receptores de doble conversión. La señal tiene la frecuencia determinada por el cristal. El transistor puede ser un RF PNP o incluso un NPN si se invierte la polaridad de la alimentación.
Este circuito genera una señal para receptores de doble conversión. La señal tiene la frecuencia determinada por el cristal. El transistor puede ser un RF PNP o incluso un NPN si se invierte la polaridad de la alimentación.