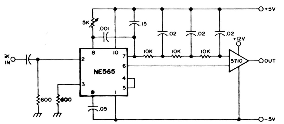
La frecuencia máxima de este circuito es de 500 kHz. Lo encontramos en una documentación para radioaficionados de los años 80. El circuito integrado utilizado es poco común en la actualidad.

 

Circuito para RTTY
Circuito para RTTY | Haga click en la imagen para ampliar |