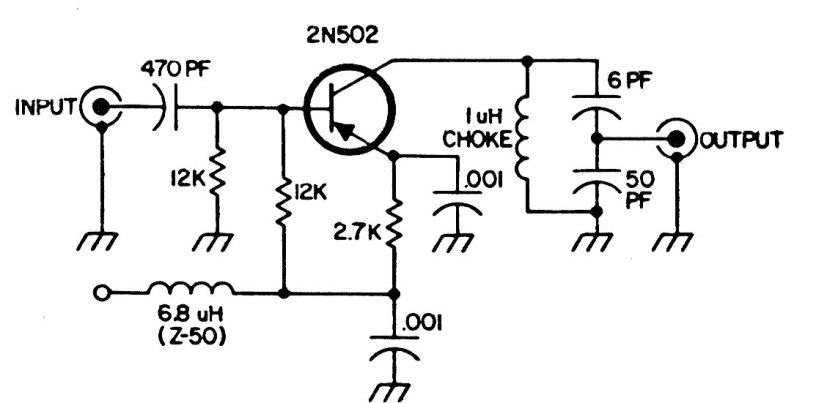
Este rango corresponde a los canales de TV más bajos, 2 y 3 específicamente en VHF. El circuito es de una documentación antigua y se puede utilizar un transistor equivalente como el BF494. El circuito tiene una banda de paso de 10 MHz con una impedancia de salida de 50 ohms.




