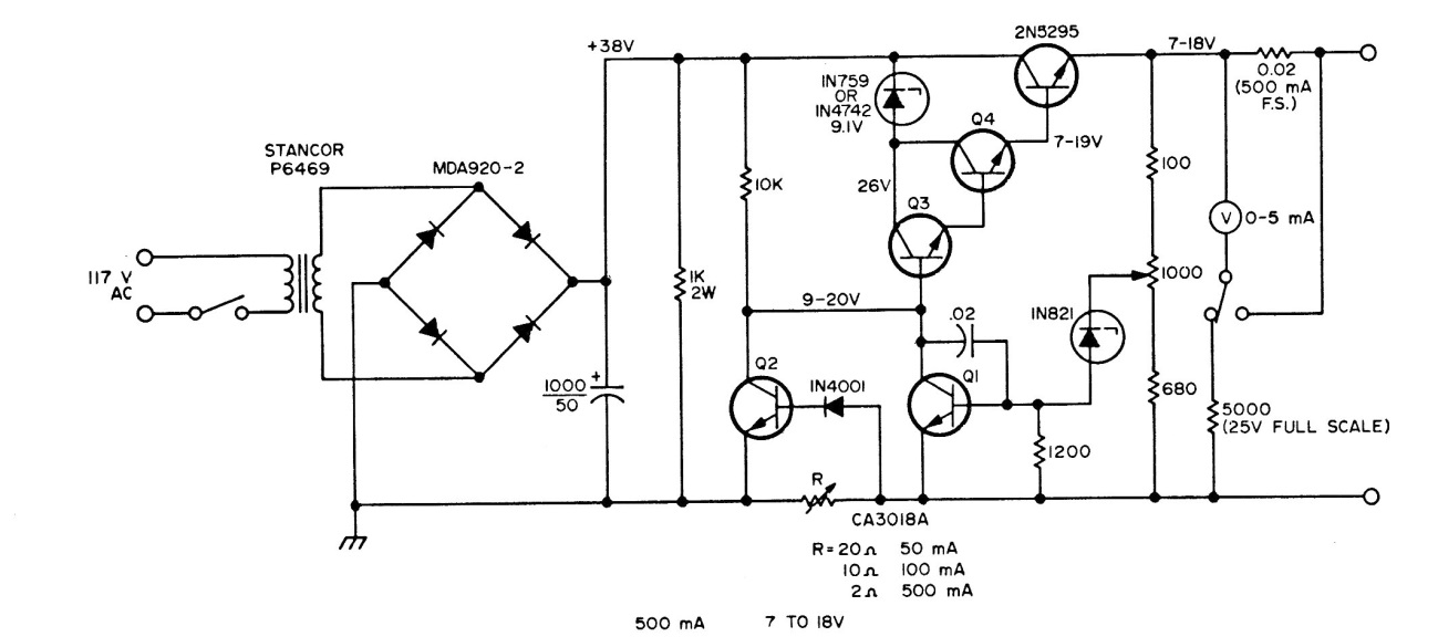
La corriente de salida de esta fuente está determinada por la resistencia R. Para 20 ohmios, tenemos 50 mA. Para 10 ohms tenemos 100 mA y para 2 ohms tenemos 500 mA de corriente. Los transistores admiten equivalentes y el de mayor potencia debe estar equipado con un disipador de calor.




