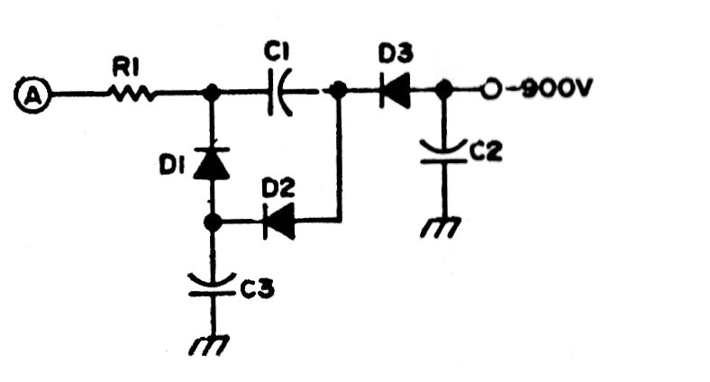
Esta es la configuración típica de un triplicador de alta tensión. La configuración se puede utilizar con tensiones bajas con componentes de valores adecuados de acuerdo con la tensión deseada.

 

Triplicador de alta tensión
Triplicador de alta tensión | Haga click en la imagen para ampliar |