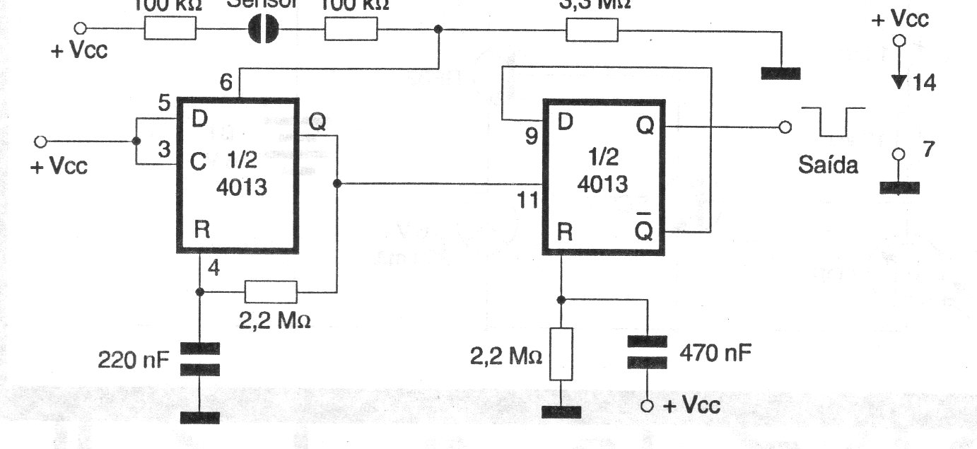
Este circuito consta de un interruptor de toque biestable con el conocido doble flip-flop CMOS 4013. El circuito puede ser alimentado por tensiones de 3 a 13 V y funciona como un excelente escudo de control para microcontroladores. El circuito y el microcontrolador nunca deben ser alimentados por una fuente sin transformador.




