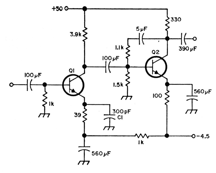
Este amplificador fue encontrado en una documentación técnica de los años 70. El circuito utiliza transistores 2N2218 o equivalente y opera con una señal de 5 a 30 MHz con una amplitud de salida de 7 V bajo carga de 100 ohms.

 

Amplificador de banda ancha
Amplificador de banda ancha | Haga click en la imagen para ampliar |