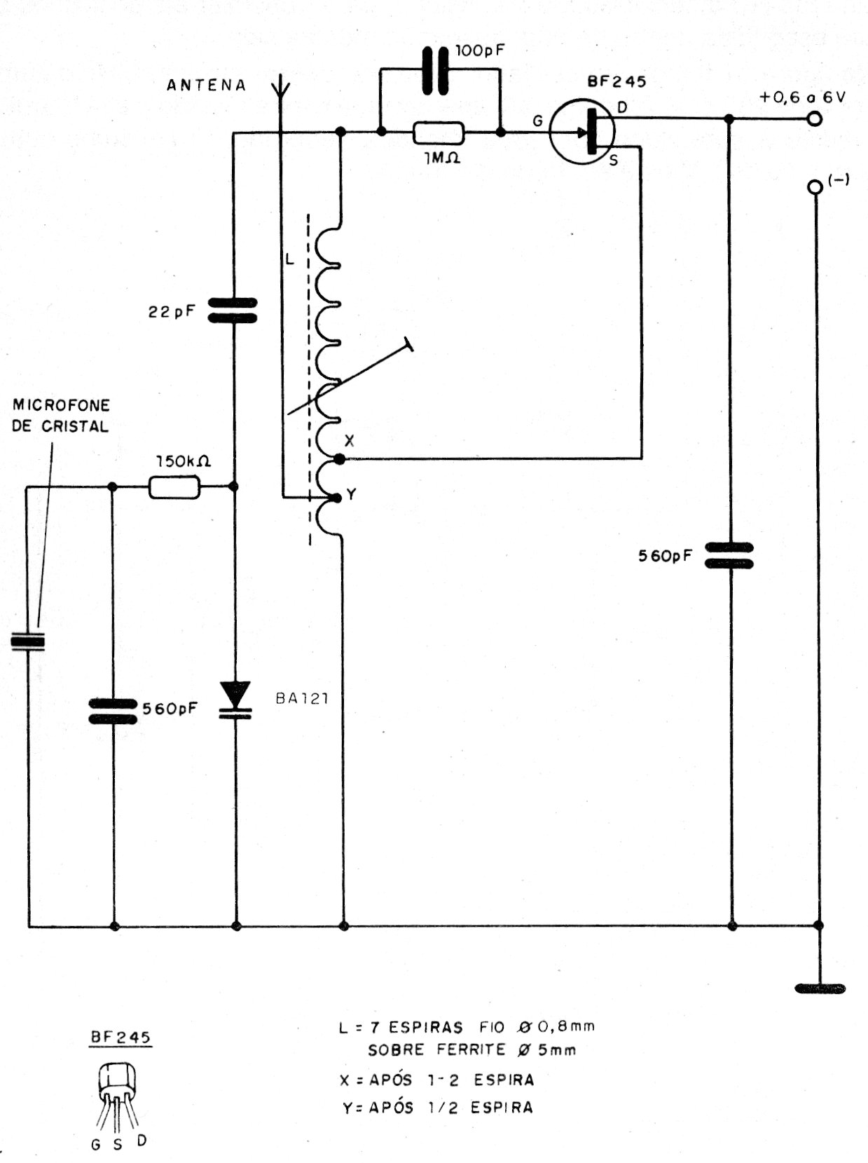
Este micro transmisor FM se encontró en un libro espía de los años 80. El circuito puede funcionar con FET equivalentes y está alimentado por una tensión de 0,6 a 6 V. Los detalles de la bobina se dan junto al diagrama.

 

Micro transmisor con FET
Micro transmisor con FET | Haga click en la imagen para ampliar |