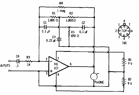
Este circuito se encontró en una documentación de Radio Shack de 1977. El circuito se sintoniza a 1,4 kHz, pero esta frecuencia se puede cambiar con el cambio de los valores de los componentes del doble T. La alimentación simétrica se puede hacer con otras tensiones y Auricular de cristal o piezoeléctrico monitorea la sintonía de la frecuencia.




