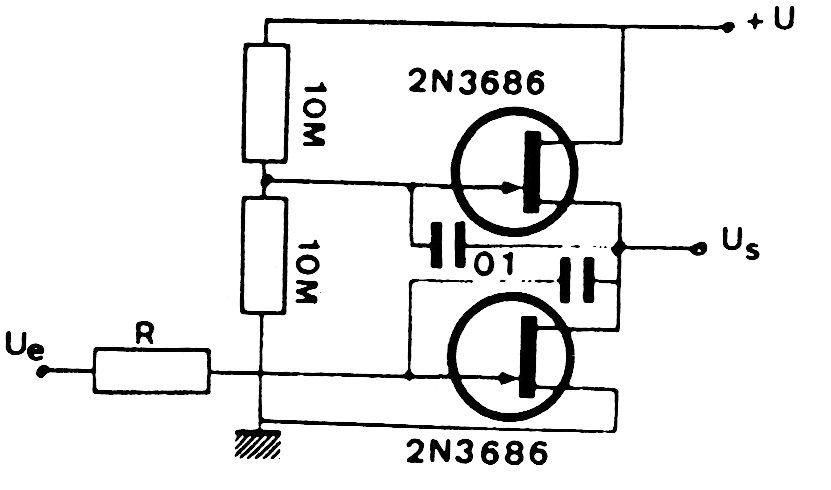
Este circuito integrador utiliza los FET de unión que también pueden ser BF245 o MPF102. La constante de integración depende de los capacitores y el resistor R. La tensión de alimentación depende de la aplicación y normalmente puede estar entre 1,5 y 12 V.




