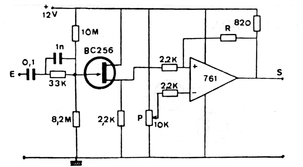
El punto de disparo de este disparador se puede configurar en P. El transistor de efecto de campo puede ser el BF245 y el operacional admite equivalentes más modernos, ya que el circuito es de documentación de los 80. No es necesario que la fuente de alimentación sea simétrica y la tensión se puede cambiar dependiendo del operacional utilizado.




