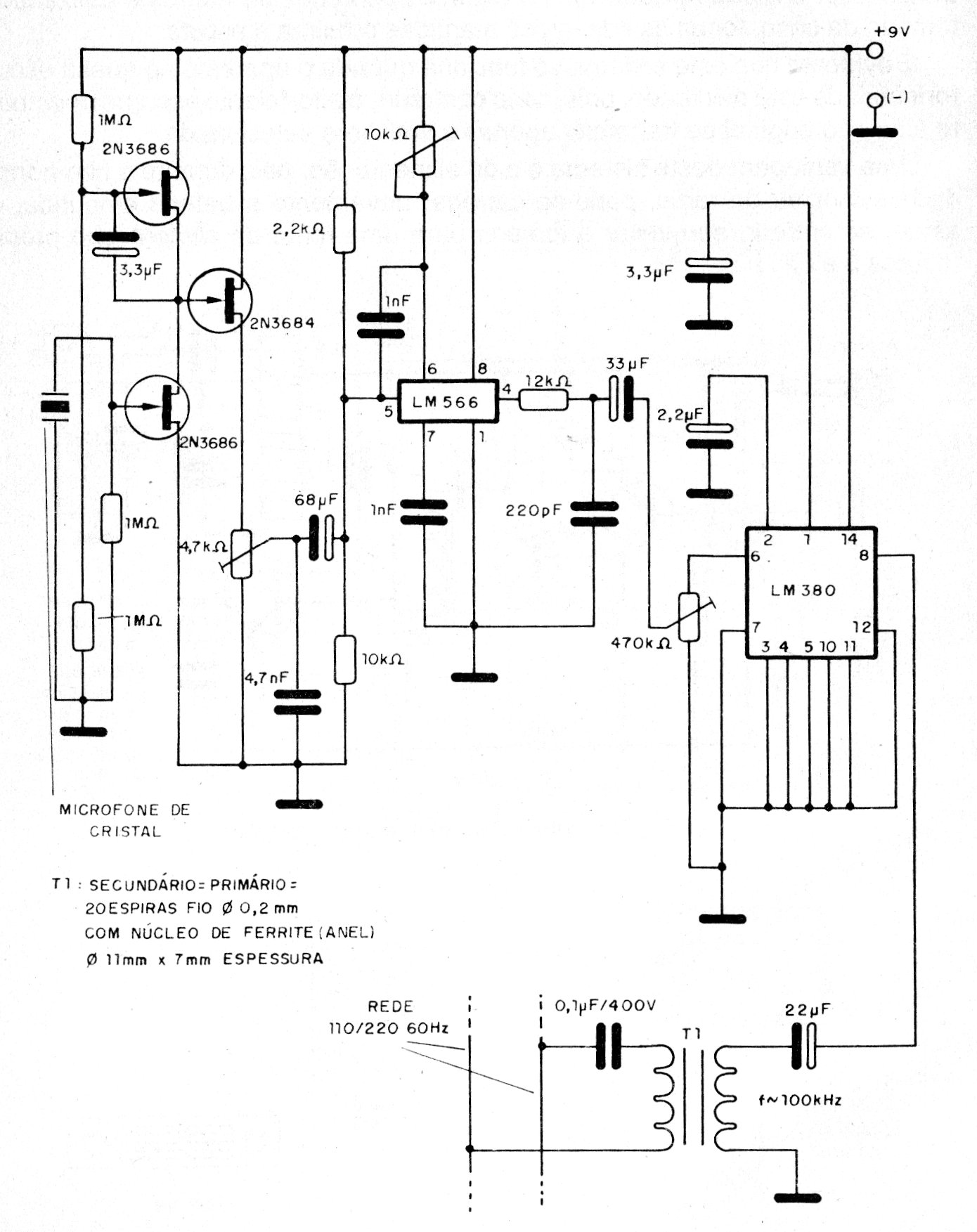
Este circuito transmite la señal tomada desde una línea telefónica a un receptor ubicado cerca (hasta unas pocas decenas de metros, dependiendo del ruido de la red). El circuito es de una documentación de los años 90 y opera a una frecuencia de 100 kHz. El receptor es CIR20030S.




