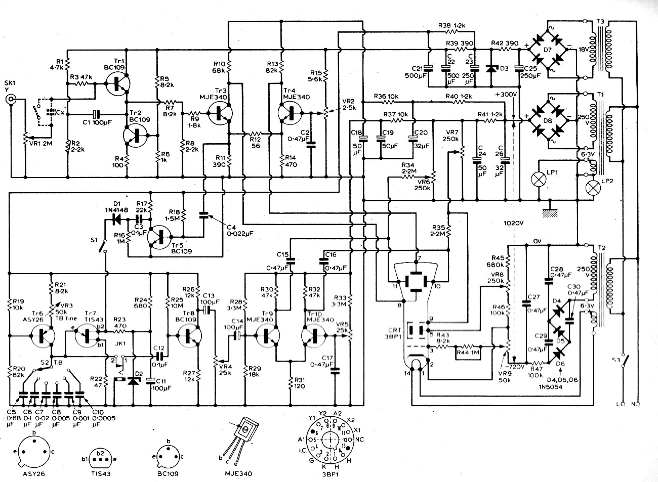
Este diagrama puede servir de referencia para los lectores que quieran saber cómo era un antiguo osciloscopio con TRC o incluso para aquellos que quieran recuperar uno. El circuito es de documentación de la década de 1970 y emplea transistores de la época, muchos de los cuales pueden ser reemplazados por equivalentes de corriente.




