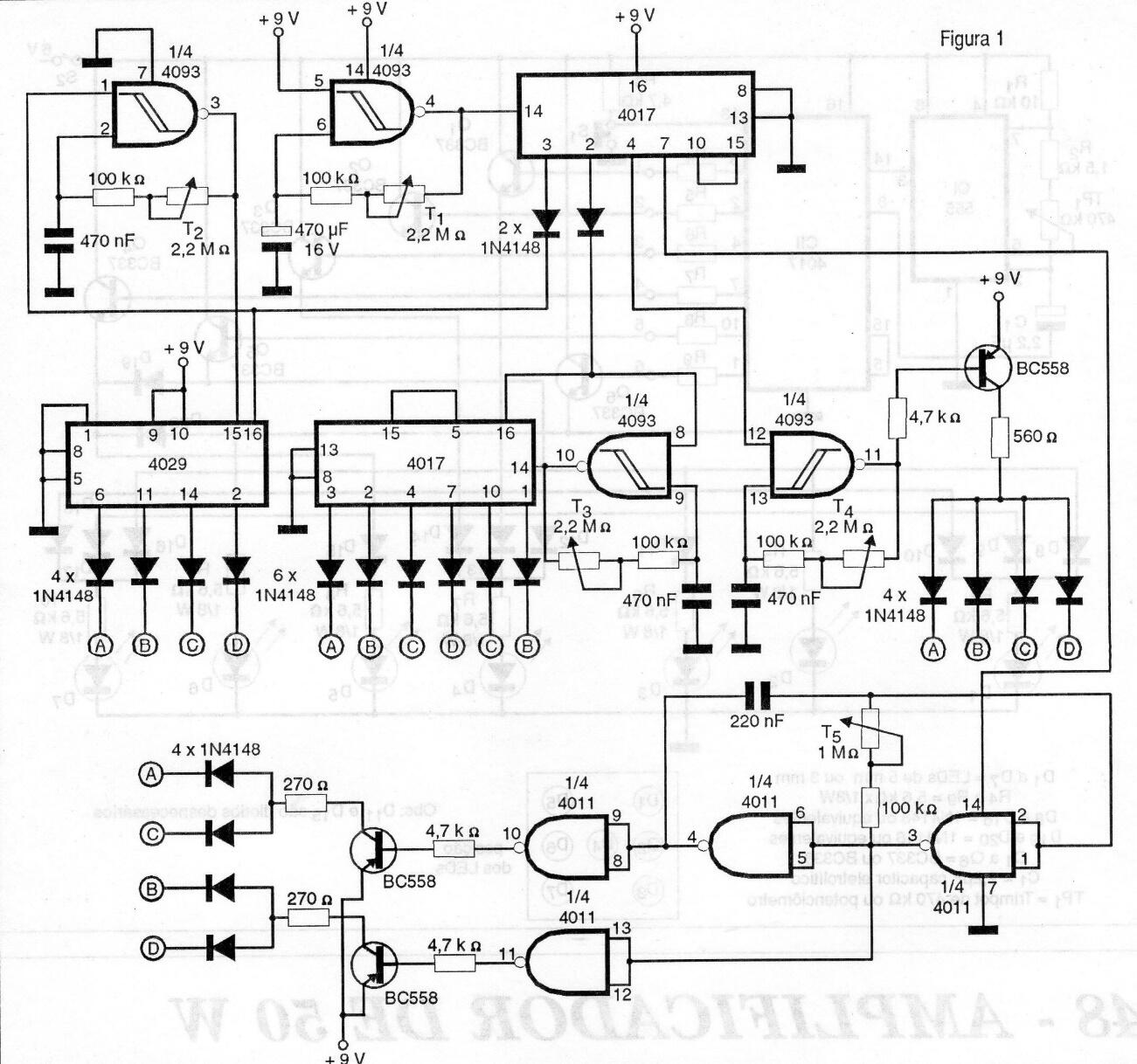
Encontramos este circuito en una documentación de 1997. Puede controlar conjuntos de LED o lámparas a través de SCR en configuraciones convencionales. El circuito tiene varios ajustes que le permiten modificar los efectos como desee. El circuito debe estar alimentado por 6 a 12 V.




