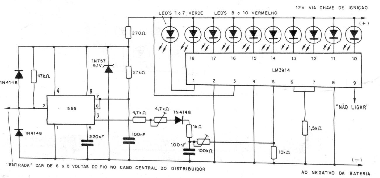
De hecho, este circuito de 1994 utiliza una escala de LED para indicar la frecuencia de pulso aplicada a su entrada. Los ajustes de disparo y escala se realizan en potenciómetros. El circuito se puede alimentar con tensiones de 9 a 12 V. Los capacitores de 100 nF pueden eventualmente necesitar cambios, dependiendo del rango de operación del circuito.




