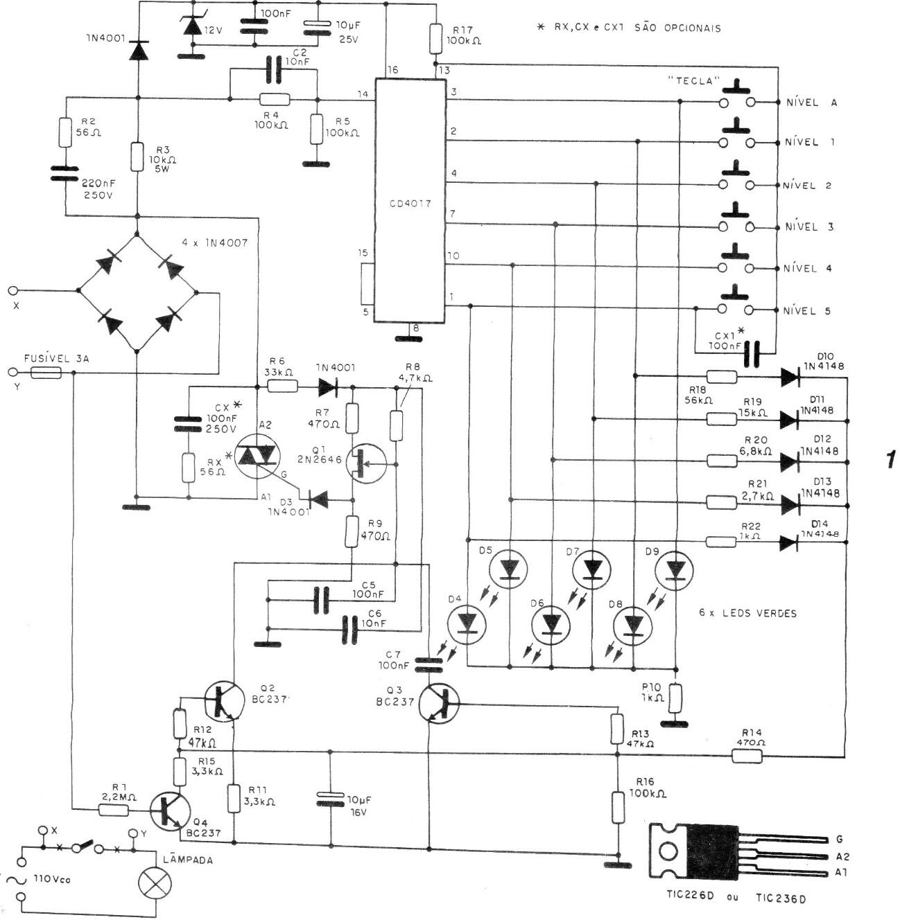
Encontramos este atenuador en una publicación de 1994. Podemos controlar la velocidad de un motor a través de la selección realizada por interruptores de presión en un sistema pulsante. Los diodos del puente deben estar de acuerdo con la corriente de carga y en este circuito, de hecho, por la presencia del puente se podría utilizar un SCR, que el autor del proyecto en ese momento no tuvo en cuenta. El triac (o SCR) debe tener un disipador de calor.




