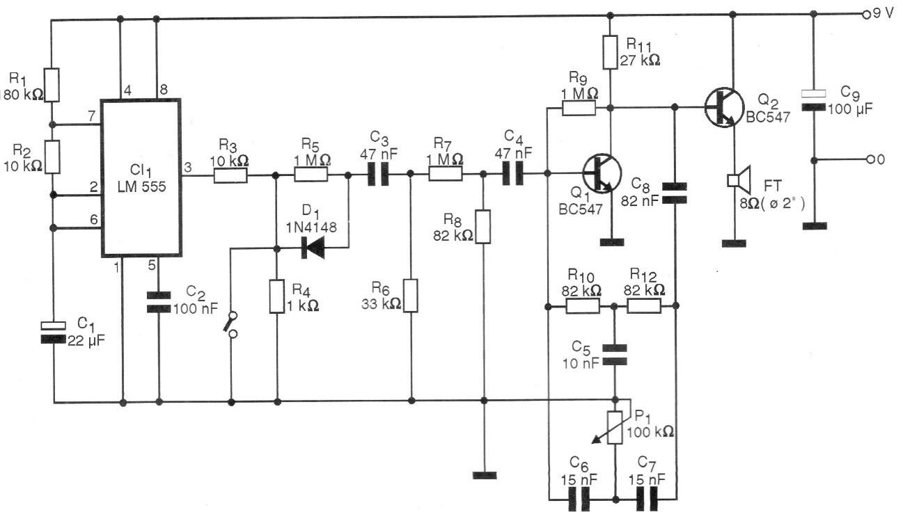
Este circuito de una publicación de 1998 se puede utilizar como timbre de entrada, como dispositivo de llamada o en otras aplicaciones. Los componentes son comunes incluso hoy en día, y para una mayor potencia se puede utilizar un amplificador externo. El ajuste de la amortiguación se realiza en el trimpot; La alimentación debe ser suministrada por fuente o baterías.




