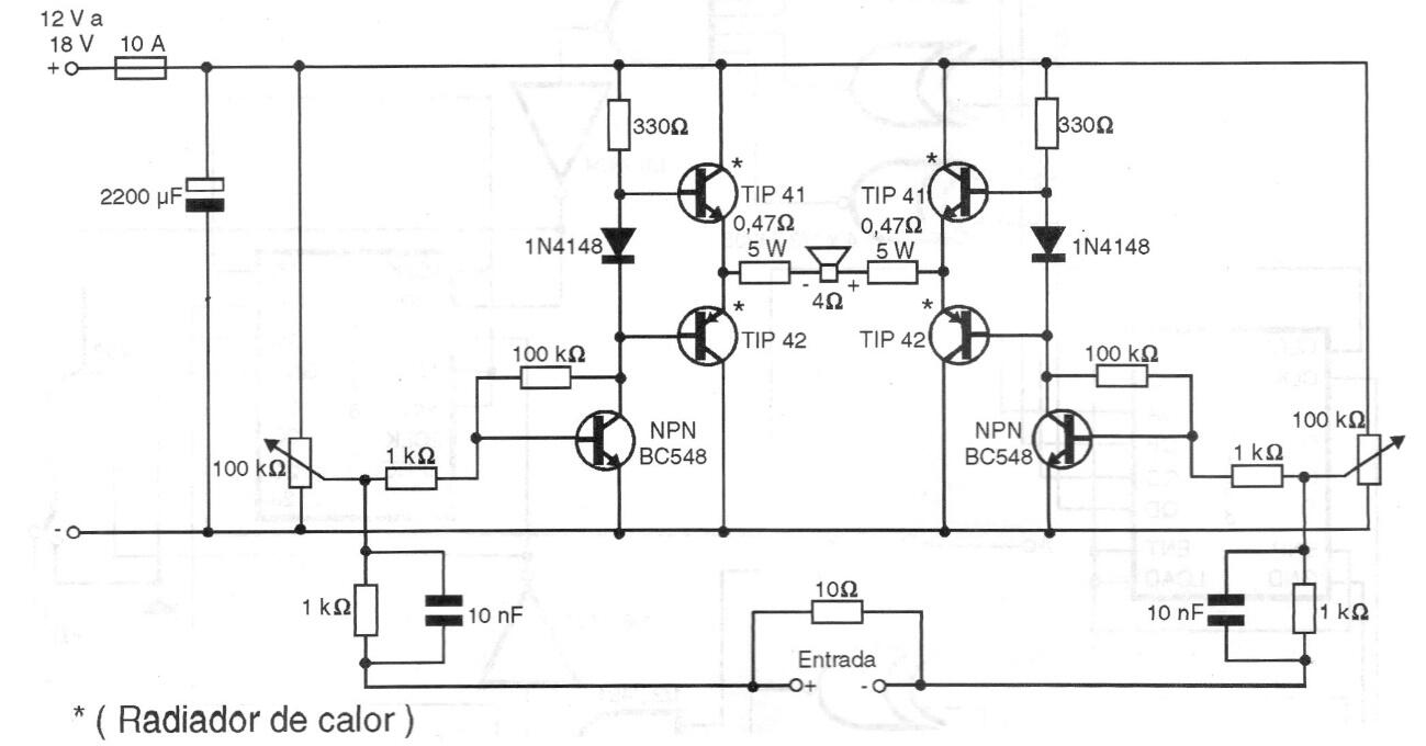
Encontramos este potente amplificador que usa transistores comunes en una documentación de 1998. Los transistores de potencia, que están puenteados, deben estar equipados con excelentes disipadores de calor. El trimpot sirve para ajustar la simetría de la señal, lo que debe hacerse con la ayuda de un generador de señal y un osciloscopio.




