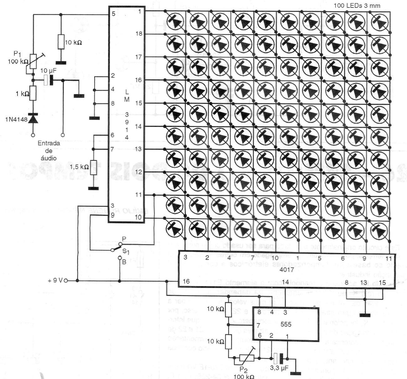
Este circuito de efectos LED se encontró en una publicación de 1998, pero aún puede ensamblarse fácilmente con los componentes que utiliza. Los caudales vertical y horizontal se ajustan en los dos potenciómetros o trimpots. El circuito se alimenta con 9 V en el esquema original, pero funcionará bien con tensiones de 5 V.




