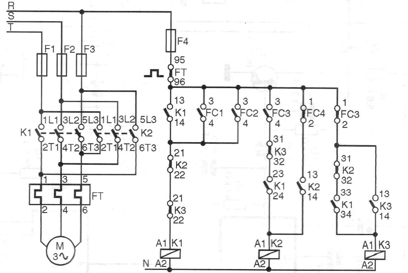
Este circuito es de la documentación de 1998. Es un sistema que permite accionar las puertas automáticas sin demora. El circuito se instala teniendo en cuenta la presencia de los finales de carrera para motores de 3 polos, como se muestra en la figura.




