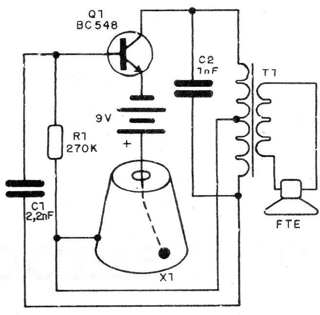
En realidad, es un oscilador de audio que se activa mediante una estructura que forma un sensor en forma de campana. El altavoz puede ser remoto y no hay consumo cuando no hay sonido. El circuito puede ser alimentado por dos o cuatro baterías comunes y el sonido cambia mediante el intercambio de R1.




