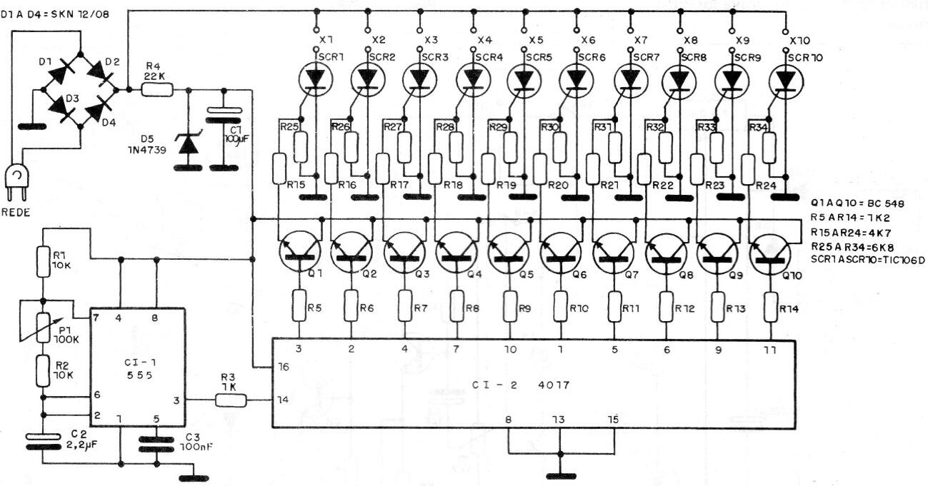
Este circuito se utiliza para colocar bombillas alrededor de las señales de tráfico. Se utilizan lámparas incandescentes de hasta 40 W (las de 60 W o más, ya no se fabrican) y los SCR deben estar equipados con pequeños disipadores de calor. Según los SCR, el circuito funcionará tanto en la red de 110 V como en la de 220 V.




