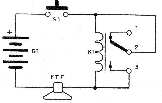
Este circuito, ya presentado en otras ocasiones, aprovecha las oscilaciones de los contactos de un relé para generar una corriente pulsante en un altavoz. El resultado es la producción de un sonido fuerte. Puede cambiar la frecuencia con un capacitor de 100 nF a 1 uF en paralelo con el relé. El suministro debe realizarse de acuerdo con la tensión del relé.

Zumbador con Relé CB16459E



