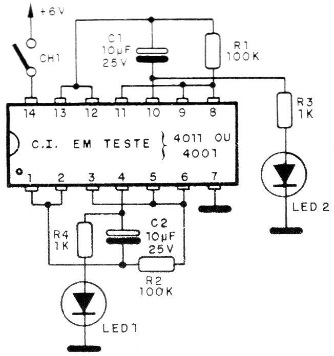
Este sencillo circuito permite probar los circuitos integrados CMOS 4001 y 4011. Consta de un oscilador que debe hacer parpadear dos leds, si están en orden. El circuito puede alimentarse con tensiones de 5 a 12 V y su consumo es bajo.
Este sencillo circuito permite probar los circuitos integrados CMOS 4001 y 4011. Consta de un oscilador que debe hacer parpadear dos leds, si están en orden. El circuito puede alimentarse con tensiones de 5 a 12 V y su consumo es bajo.